回复
     梅科尔工作室-第五次驱动子系统开发
mmmaker
 发布于 2022-7-25 20:15
 浏览
 0收藏
1.GPIO
GPIO API介绍:

查看LED对应的GPIO引脚:

操作GPIO点亮LED:

2.GPIO中断
GPIO中断API介绍:

查看按键对应的GPIO引脚:

3.PWM
PWM API介绍:

查看LED对应的GPIO引脚:

输出PWM改变LED亮度:

4.ADC
ADC API介绍:

查看ADC对应的GPIO引脚:

5.I2C
I2C API介绍:


查看NFC的l2C对应的GPIO引脚:

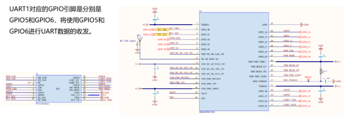
6.UART
UART相关API:

查看UART1D对应的GPIO引脚:

UART读写数据:

分类 
 标签 
  已于2022-7-25 20:15:17修改
 
        赞
        
 
        收藏 
      
 回复
  相关推荐
 



















